ERDEM MERİÇ
BATTERY CELL TYPES AND CYCLE MANAGEMENT
IN ENERGY STORAGE SYSTEMS
Erdem MERİÇ
KOCAELİ-TÜRKİYE
Enerji Danışmanlığı Hizmetleri / Renewable Energy Consultancy
2026
ÖZET
Bu yazının birinci bölümünde endüstride kullanım alanı yaygınlaşmış olan batarya tipleri ve akü terminolojisine ilişkin tanımsal ifadelerle ön bilgilendirme yapılmak istenmiştir. Bu teknik yazının sadece elektrik ve enerji üzerine çalışan akademik personel, mühendis veya teknisyen seviyesindeki kişilere hitap edebilmesinin yanında, konuya ilgi duyan farklı meslek gruplarındaki kişi ve öğrencilerin de faydalanabilmesi için birinci bölümündeki terminolojiye hakim olunması önem arz etmektedir. İkinci bölümde bataryalarda kullanılan şarj – deşarj çevrimlerine ilişkin spesifikasyonların anlaşılması amaçlanmış ve akabinde batarya yönetim sistemleri ve eşitleme/dengeleme konularına değinilmiştir. Günümüzde aynı ürün yapısının farklı tanımlamalarla ifade edilebildiğini görmekteyiz. Bu ve benzer durumlarda kavramsal anlam bütünlüğü kaybolabilmektedir. Özellikle enerji depolama sistemleri üzerinde yaygın olarak karşılaştığımız tanımsal ifadelerin çeşitlenmesi sebebiyle yazımızda aynı anlama gelen tüm tanımlara yer verilmeye çalışılmıştır.
SUMMARY
The introduction of this article aims to provide preliminary information with definitions regarding battery types and battery terminology, which are widely used in industry. While this technical article is intended to be addressed only to academic staff, engineers, or technicians working in the field of electricity and energy, it is also important for students and individuals from various professional groups interested in the subject to understand the terminology in the first section. The second section aims to understand the specifications for charge-discharge cycles used in batteries, and then addresses battery management systems and equalization/balancing. Today, we see that the same product structure can be described with different definitions. This can lead to a loss of conceptual coherence. Due to the diversity of definitions commonly encountered in energy storage systems, we have attempted to include all definitions with the same meaning.
Bu bölümde aküler ve çeşitleri hakkında bilgi verilecektir.
İlerleyen kısımların anlaşılması üzere burada ifade edilen literatüre hakim olunması tavsiye olunur.
VENTED LEAD ACID BATTERY
Sulu tip kurşun asit akülerin isimlendirilmesinde kullanılan en yaygın terminoloji VLA (vented lead acid) ifadesidir. Buradaki “vented” kelimesi akü gövdesi üzerinde, elektrolit sıvı ilavesini mümkün kılan veya hidrojen gazının dışarı tahliyesini sağlayan açılır-kapanır kapak mekanizmalarını ifade etmektedir. En yaygın kullanımıyla klasik otomobil aküleri bu sınıfa dahildir. Tanımlamada kullanılan bir diğer ifade ise “Flooded” terimidir. Literatürde “Flooded” veya daha az kullanımıyla “Wet Cell” terimleri sulu tip kurşun asit akülerin tanımlanmasında kullanılmaktadır. Sulu tip kurşun asit akülerin çalışma yapısıyla ilgili bilgiler aşağıda verilmiştir.
KURŞUN ASİT AKÜLERİN TEMEL TASARIMI VE ÇALIŞMA DÜZENİ
En basit haliyle bir akünün çalışabilmesi için iki adet elektroda ve bu elektrodlar arasında iyon transferi yapılabilmesini mümkün kılan elektrolit sıvıya ihtiyaç bulunmaktadır. Elektrolit sıvısı içerik olarak yaklaşık %30 sülfürik asit çözeltisidir. Elektrodlar ise bu düşük konsantrasyonlu asit çözeltisinin içinde askıda duran iki adet kurşun plakadan oluşmaktadır. Bu iki elektrot Anot ve Katot olarak isimlendirilirler. Anot elektrodu kurşun oksit bileşeni olup elektriksel pozitif kutbun meydana geldiği yerdir. Katot elektrodu ise materyal olarak kurşun elementidir ve elektriksel negatif kutbun meydana geldiği kısımdır. Aküler yapısal olarak hücrelerden (odacık) oluşan iç tasarıma sahiptirler. Her bir hücrede elektrodlar ile elektrolit sıvısı müstakil olarak bulunmakta ve dahili hücre gruplarının birbirlerine seri bağlanmasıyla akü gerilim seviyesi istenen değerlere ulaştırılmaktadır.
Negatif Plakadaki Deşarj Tepkimesi:
Pb + HSO−4 → PbSO4 + H+ + 2e−
Akü deşarj olurken negatif plakadaki kurşun elementi kurşun sülfata dönüşür ve hidrojen gazıyla birlikte serbest elektron meydana gelir.
Pozitif Plakadaki Deşarj Tepkimesi:
PbO2 + HSO−4 + 3 H+ + 2 e− → PbSO4 + 2 H2O
Akü deşarj olurken pozitif plakadaki kurşun dioksit bileşiği de kurşun sülfata dönüşür.
Toplam Deşarj Reaksiyonu:
Pb + PbO2 + 2 H2SO4 → 2 PbSO4 + 2 H2O
Bu deşarj reaksiyonları esnasında sülfirik asit çözeltisi sülfirik asidini kaybederken su ortaya çıktığı görülür. Tepkimeler sonucu ortaya çıkan serbest elektronlar ise elektrik akımı için gerekli olan yük taşıyıcılarıdır. Şarj tepkimeleri ise yukarıda tanımlanan reaksiyonların tam tersi olarak meydana gelmektedir.
Negatif Plakadaki Şarj Tepkimesi:
PbSO4 + H+ + 2e− → Pb + HSO−4
Pozitif Plakadaki Şarj Tepkimesi:
PbSO4 + 2H2O → PbO2 + HSO−4 + 3H+ + 2e−
Toplam Şarj Reaksiyonu:
2 PbSO4 + 2 H2O → Pb + PbO2 + 2 H2SO4
Akü şarj edilirken deşarj aşamasında ortaya çıkan su yeniden sülfirik aside dönüşür. Bu şarj-deşarj çevrimi ideal durumu göstermektedir. Uygulamada bu dönüşümde kayıplar söz konusudur. İlk olarak deşarj aşamasında ortaya çıkan Hidrojen iyonlarının tamamı, şarj esnasında su bileşiğine katılamaz. Benzer şekilde plakalarda oluşan kurşun sülfatın da tamamı, şarj esnasında elektrodların başlangıç materyaline (Pb ve PbO2) ayrışamazlar. Bu şarj-deşarj döngüsü sebebiyle aküde zamanla tahliye edilmesi gereken hidrojen gazı birikmeye başlar.
Akü gövdesinde hidrojen gazını tahliye etmek için delik açılması ortama salınan gazın kontrolsüz birikimine sebep olarak patlama riskini ve elektrolitin bu deliklerden dökülerek eksilmesi riskini beraberinde getirmektedir. Her bir şarj-deşarj çevrimi sonunda ortaya çıkan hidrojen gazı aynı zamanda elektrolitte eksilen su anlamına gelmektedir. Bu nedenle kurşun asit akülerde eksilen suyun yerine ilave edilmesi gerekir.
Klasik kurşun asit aküler halen otomobiller başta olmak üzere birçok endüstriyel sistemde başlatma enerjisi sağlamak üzere kullanılmaktadırlar. Bu akülere literatürde “Sulu Tip Akü” de denilmektedir. Esasen elektrolit çözeltisinin akışkan sıvı formda olmasından dolayı bu tanımlama yapılmaktadır.
Aşağıdaki fotoğrafta kurşun asit akülerde eksilen elektrolit için ilave edilen su görülmektedir.
Sulu Tip Akülerde Elektrolit Seviyesi
Akülere ilave edilen suyun saf su (deiyonize) olması gerekmekte ve elektrotların üzerini geçecek seviyede konulması gerekmektedir.
SEALED LEAD ACID BATTERY
Terim olarak dış kılıfı kapatılmış (mühürlenmiş) aküleri ifade etmektedir. SLA akülerde deşarj esnasında ortaya çıkan hidrojen gazının plakalardan fazlaca uzaklaşmasına izin verilemeden bir noktada kıstırılması sağlanır. Böylece şarj esnasında hidrojen iyonları daha yüksek oranda suya dönüşebilmekte ve elektrolitte su kaybına bağlı seviye azalması yaşanmamaktadır. Tekrar su ilavesi yapılmasına gerek duyulmamaktadır.
Su kaybı azalan ve tekrar su ilavesine gereksinim duyulmayan bu aküler, “Bakımsız” akü olarak adlandırılmaktadır. Gövdelerinde su ilavesi yapmak için kapak bulunmamakta ve gövde tam olarak kapalı bir yapı oluşturmaktadır. “Sealed” terim olarak Türkçeye mühürlenmiş olarak çevrilebilir.
Özetle, SLA akülerde elektrolitin hareket serbestliği kısıtlanarak su kaybı minimize edilmiştir. Akü gövdesinin tam kapalı durumda ve dışarıdan müdahaleye gerek olmadığı tasarım şeklidir. Elektrolitin dökülme riski bulunmamaktadır.
VALVE REGULATED LEAD ACID BATTERY
Valf regüleli kurşun asit aküler bir önceki bölümde bahsedilen SLA akü sınıfında yer almaktadır. Fark olarak, yapılarında ihtiyaç halinde gaz basıncının tahliye edilmesini mümkün kılan tek yönlü bir valf sistemine sahip olmalarıdır. Bu aküler terimsel olarak “kapalı tip”, “yalıtılmış” ve “bakımsız” (bakıma ihtiyaç duymayan) olarak da ifade edilebilirler. Kuru akü terimi de sıklıkla kullanılmaktadır. Sulu tip kurşun asit akülerde olduğu gibi çalıştıkları alanda havalandırmaya ihtiyaç duymazlar ve istenildikleri geometride montaj kolaylığına sahiptirler.
Kesintisiz güç kaynakları başta olmak üzere taşınabilir her türlü elektrikli el aletlerinde ve elektronik cihazlarda kullanılmaktadırlar. Fiyatlarının ekonomik olması da tercih edilmelerinde etkendir.
Bakımsız Tip VRLA Akülerin Avantajları:
1-Bakım gerektirmezler. (Dışarıdan müdahaleyi mümkün kılan açılır bir kapak mekanizması yoktur).
2-Yatay ve dikey olarak istenilen geometride montaj yapılabilir. (Sulu tip kurşun asit akülerde olduğu gibi kurşun plaka yönelimine dik tutulmaları zorunlu değildir).
3-Kapalı ortamda çalışabilirler ve bulundukları ortamın havalandırılmasına gerek yoktur.
4-Büyük kapasitelerde fiyatları lityum tip bataryalara kıyasla daha düşük maliyetlidir.
12V- 4,5 Ah VRLA Akü
VRLA akülerde az da olsa gaz çıkışı olabilmektedir. Bu gaz çıkışı sulu tip kurşun asit akülere kıyasla küçük miktarlarda olsa bile yok sayılmamalıdır. Bu aküler şarj edildikleri esnada tepkime sürecinin olağan hızında ilerlememesine bağlı olarak elektrolit sıcaklığı ve akü iç basıncı yükselebilmektedir. VRLA akülerdeki şarj-deşarj çevriminin sulu tip akülere kıyasla daha yavaş olması bu aküleri enerji depolama sistemlerinde ve kesintisiz güç kaynaklarında kullanılmalarını yaygınlaştırmıştır. Çünkü sulu tip kurşun asit akülere göre durağan hale gelmiş olan elektrolit sıvısı aküden elde edilebilecek anlık güç kullanımını sınırlandırmaktadır. Ni-Cd hücreli bataryalara kıyasla demeraj akımlarına verilen tepkinin sınırlı olması ve ani deşarjlarda yeterli gücün sağlanamaması VRLA akülerin en önemli dezavantajı olmaktadır.
Bakımsız VRLA aküler tam olarak sızdırmaz değildirler. Bu akülerde 2,30 V değerindeki hücre voltajından daha yüksek seviyede bir şarj voltajının sürekli (saat bazında görece uzun süreli) uygulanması durumunda (aşırı şarj) sıcaklığa bağlı yükselen hidrojen gaz basıncının düşürülmesi için tahliye valfleri açılarak bir miktar gazın dışarı atılması sağlanır. Bazen gazın tahliyesi esnasında elektrolit çıkışı da gözlenebilmektedir. Bu durumda akünün toplam Ah kapasitesinde düşüş meydana gelecektir. Bir VRLA akü genellikle 6 adet dikdörtgen prizma hücreden oluşmaktadır. Bu hücreler müstakil olarak 2 psi basınca ayarlanmış valflere sahiptirler. Metal kılıflı batarya hücrelerinde bu basınç değeri çok daha yüksek bir değere ayarlanmıştır. Hidrojen gazı patlama ihtimali olabilen bir gaz olup kapalı alanlarda birikmesi tehlikeli olabileceğinden basınç valflerinin çıkışı hidrojen gazının tahliye esnasında dağılmasını sağlayan difüzör mekanizmasına irtibatlıdır. Böylece olası bir gaz tahliyesinde gazın bir noktada birikmesi önlenmiş olur.
Yukarıdaki anlatılanlar dikkate alındığında, VRLA akülerin ani deşarj ve ani şarj operasyonlarından, sürekli yüksek akımlı (kısa devre benzeri) deşarj durumlarından korunması gerektiği anlaşılmaktadır. Her ne kadar “bakımsız akü” tanımlamasıyla piyasa sürülen bu aküler sabit voltaj altında şarj edilmeli, ortam ve batarya sıcaklığı şarj esnasında kontrol altında tutulmalıdır. Bu aküler oda sıcaklığında sürekli olarak 2,35 V sabit şarj gerilimi altında tutulabilirler. Sabit akım metoduyla şarj işleminin yapılması VRLA akülerde şarj tepkimelerindeki kimyasal değişim hızına cevap verememesi nedeniyle tavsiye edilmemektedir. VRLA akülerde hücre voltajı şarj esnasında 2,7 V seviyelerine yükseltilebilir ancak bu uygulama 30 dakikaya kadar kısa süreli olarak uygulanabilir. Burada şarj kontrol devresinin uyguladığı voltaj seviyeleri ve süreleri hakkında bilgi sahibi olunması tavsiye olunur. Verilen değerler ortalama veriler olup marka ve modellere göre farklılıklar görülebilir.
VRLA aküler AGM ve JEL aküler olmak üzere iki sınıfa ayrılmaktadır. Bu bölüme kadar yapılan batarya sınıflandırması için aşağıdaki şema açıklayıcı olmaktadır.
ABSORBED GLASS MAT BATTERY
Elektrolit sıvısının cam elyaf (fiberglass) malzemeye emdirilmesi suretiyle elektrolit sıvısının hareketsiz hale getirildiği akülerdir. Akü kutupları arasında fiberglas yastık paketleri halinde montajlanırlar.
İlk kez 1972 yılında GATES RUBB firması tarafından patenti alınmıştır. ENERSYS firması tarafından üretimi yapılmıştır. CYCLON terimiyle ifade edilen ve plakaların spiral şeklinde sarılarak kurşun yuvalı kutup başlarına bağlanması suretiyle elde edilmişlerdir. Bu teknolojiyle üretim yapan diğer üretici firma ise Japon Orijinli YUASA şirketidir.
İlk CYCLON AGM Hücresi - 1972
Sulu tip kurşun asit akülerde olduğu gibi elektrolit sıvısının batarya içinde serbestçe dolaşmasının aksine AGM akülerde elektrolit sıvısı Cam Elyaf yastıklara emdirilerek kutuplara irtibatlanır. Elektrolit doğrudan akışkan formda olmadığından bu tip akülere “kuru tip” aküler de denilmektedir. Geniş kullanım alanına sahip olan AGM aküler, hızlı şarj olabilme ve titreşimli ortamlarda güvenli çalışmayı desteklemektedir. Hareketli mobil araçlarda ve yenilenebilir enerji sektöründe yaygın olarak kullanılmaktadırlar. Sulu tip akülere göre sülfatlaşma süreci sorun teşkil etmeyecek seviyede düşüktür. Bazı kaynaklarda AGM ve JEL aküler için desülfürizasyon şarj sürecinin uygulanmasına gerek olmadığı ifade edilmektedir. Sülfatlaşma ve desülfatizasyon şarj algoritması hakkında detaylı bilgiyi bu yazının ikinci bölümünde bulabilirsiniz.
SILICON BATTERY
Elektrolit materyali jelleştirilmiş olan VRLA akülerdir. Elektrolite karıştırılan silikon buharı ile jel kıvamlı, hareketsiz bir elektrolit elde edilmektedir. AGM akülerde olduğu gibi JEL aküler de istenilen geometride montaj edilebilirler.
Sulu tip aküler gibi dik tutulma zorunluluğu yoktur. Yüksek sıcaklıklarda iyi bir performans sağlayan JEL bataryalar titreşimin yoğun olduğu yerlerde güvenle kullanılmaktadırlar. Sarsıntı ve darbelere karşı mukavemet gösterirler.
Jel akülerde tek yönlü valfler yaklaşık 2 psi basınç değerine ayarlanmışlardır. Bu basınç değeri şarj-deşarj reaksiyonları esnasında gerçekleşen kimyasal dönüşümlerin kayıpsız olarak sağlanabilmesi için yeterli bir basınç değeridir.
Tam bakımsız, kuru tip akü denildiğinde aklımıza gelen AGM ve JEL tipi VRLA akülerde kullanılan sızdırmazlık teknolojisi bu akülerin boyutlarını küçültebilme ve daha düşük Ah değerlerinde imal edilebilmelerini olanaklı hale getirmiştir. Birçok taşınabilir cihazda, acil durum sistemlerinde, kamera sistemlerinde, acil aydınlatma ve kesintisiz güç kaynaklarında küçük boyutlu VRLA akülere sıklıkla rastlamaktayız.
Aşağıdaki tabloda AGM ve JEL tipi bataryalar arasındaki temel farklılıklar görülmektedir.
VRLA AKÜLERİN KULLANIM ALANLARI
Mevcut Şarj Durumu - SoC / Deşarj Derinliği - Dod
(State Of Charge) / (Depth Of Discharge)
Bu bölümde anlatılan akü/batarya dengeleme sistemlerinin daha iyi anlaşılabilmesi için bir önceki bölümde bahsi geçen akü tiplerinin ve terminolojinin anlaşılmış olması önem arz etmektedir.
BATTERY MANAGEMENT SYSTEM
Lityum akü hücrelerinin kullanım alanlarının artmasıyla birlikte batarya hücrelerinin voltaj, akım, şarj durumu (SoC) ve sıcaklık gibi değerlerinin izlenmesi ve bu değerlerin hücreler arası dengeli dağılımının sağlanması hususu gündeme gelmiştir. Batarya paketini oluşturan hücrelere ilişkin elektriksel ve fiziksel verilerin izlenmesini sağlayan, kullanıcıya rapor veren, fiziksel değişkenlerin belirli güvenlik sınırları dahilinde kalmasını sağlayan ve hücreler arasında şarj dengelemesi işlevi sağlayan ekipmanlara “Batarya Yönetim Sistemi” adı verilir. Batarya yönetim sistemleri güvenli çalışma limitlerinin aşıldığı durumlarda bataryaların çalışmasını durdurabilir ve olası problemlerin henüz büyümeden önüne geçebilir.
Özellikle lityum batarya paketlerinde birçok hücre seri/paralel bağlanarak istenen gerilim ve kapasitede gruplar oluşturulabilmektedir. Bu durumda batarya grubunun performansını ve ömür beklentisini etkileyen en önemli unsur, hücrelerin dengeli bir şekilde şarj ve deşarj olmalarını sağlamak olmaktadır.
Paralel bağlı bataryalarda veya hücre gruplarında aynı polaritedeki terminaller birbirine bağlı olduğundan terminal voltajı kendiliğinden dengeye erişir. Ancak seri bağlı bataryalarda her bir hücreden aynı akım geçeceğinden şarj veya deşarj işleminin ne zaman kesileceğini en zayıf batarya hücresi belirleyecektir.
Bu durumda ise terminal voltajları birbirinden farklı olacaktır.
Örneğin 2 adet seri bağlı bataryanın deşarj esnasındaki cut-off gerilimin (deşarjın durmasını gerektiren kesim gerilimi) 11,2 V olduğunu farz edelim. Dengesiz bir deşarjda bu iki aküden biri diğerine göre daha önce kesim voltajına erişecektir. Deşarj işlemi durduğunda, deşarjın durmasına sebep olan akünün terminal voltajı 11,2 V iken, diğer akünün terminal voltajı 11,2V dan daha büyük bir değerde olacaktır. Örnekte olduğu gibi, şarj veya deşarj işlemi sırasında maksimum ve minimum terminal gerilimlerinin dışına çıkılması bataryalara zarar verecektir. Bu sebeple batarya terminal voltajlarının sürekli ölçülmesi ve dengeye getirilmesi gerekmektedir.
Yukarıdaki görselde sol taraftaki batarya grubunda deşarj işlemi 2 nolu batarya nedeniyle durmuştur. Ancak diğerlerinde halen kullanılabilir bir şarj durumu (State Of Charge – SoC) kalmıştır. Sağdaki fotoğrafta ise 3 nolu bataryanın diğerlerine göre daha önce dolması sebebiyle şarj işlemi durdurulmuştur. Oysa grupta halen tam şarj olmayan hücreler bulunmaktadır.
Kesintisiz güç kaynaklarında kullanılan VRLA aküler genellikle 6 adet hücre grubundan oluşmaktadır. Bir UPS (Uninterruptable Power Supply) sisteminde ise yedeklemenin istenen sürelerde sağlanması amacıyla aküler seri olarak bağlanarak toplam kapasiteleri artırılabilir. Burada kullanılan akü sayısı çok fazla olmadığından gelişmiş bir batarya yönetim sistemine de gerek duyulmamıştır. Ancak lityum prizmatik hücre gruplarının çok sayıda seri/paralel bağlantılarıyla meydana getirilen batarya paketleri elektrikli ve hibrit otomobillerde ve yeni nesil enerji depolama sistemlerinde kullanılmaya başlayınca batarya yönetim sistemlerinin kullanımı zorunluluk arz etmeye başlamıştır.
Özellikle lityum batarya paketlerinde deşarj esnasında bazı bataryaların terminal gerilimi hızla düşerken, şarj esnasında da bazı bataryaların terminal gerilimlerinin hızla yükseldiği görülmektedir. Bu durumu önlemek üzere güç elektroniğinden faydalanılarak “Şarj Dengeleme” algoritmaları geliştirilmiştir. Şarj dengeleme sistemlerinin başlıca görevi batarya terminal voltajlarını aynı seviyede tutmak ve eşitlemektir. Şarj dengeleme sistemlerinde kullanılan topoloji deşarj işleminde kullanılmakta ve deşarj işleminde de terminal voltajlarının dengelenmesini sağlamaktadır.
BMS’in Alt Bileşenleri
Şarj dengeleme işlemi pasif ve aktif dengeleme olarak ikiye ayrılmaktadır.
Pasif Şarj Dengeleme Sistemi
Bu teknikte, terminal gerilimi yüksek olan bataryanın bir yük direnci üzerinden deşarj edilerek diğer bataryalarla aynı terminal voltajına getirilmesi amaçlanır. Uygulaması en kolay dengeleme sistemi olmakla birlikte bazı dezavantajları bulunmaktadır. Yük direnci üzerinden deşarj esnasında ortaya çıkan ısının bertaraf edilmesi ve pasif şarj dengeleme sisteminin sadece şarj esnasında kullanılabilir olması aktif şarj sistemlerini gündeme getirmiştir.
Pasif Şarj Dengeleme Sistemi
Pasif dengeleme ile amaçlanan eşdeğer şarj durumu sürecinde şarj süresi bir miktar uzayabilir.
Pasif şarj dengeleme sistemine sadece Lityum akü gruplarında rastlamayız. Özellikle marine sistemlerde ve off grid güneş enerji sistemlerinde seri/paralel bağlı gruplar oluşturularak kullanılan AGM ve JEL bataryalar için uygulanabilir olan cihazlar geliştirilmiştir.
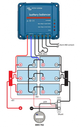
Seri/paralel batarya gruplarının pozitif, negatif ve ortak terminal gerilimini sürekli izleyen bu sistemler şarj esnasında terminal gerilimlerini eşitlemektedirler. Böylece akülerin değişim sıklığı azalmakta ve sistemin istenilen performansta çalışması temin edilmektedir. Demo görselindeki şekilde, terminal voltajlarında meydana gelecek bir değişiklik “Battery Balancer” tarafından bertaraf edilmekte ve durum bir alarm kontağı üzerinden kullanıcıya bildirmektedir.
Pasif Şarj Dengeleme Sistemi Demosu
Yukarıdaki görselde VICTRON ENERGY tarafından geliştirilmiş pasif bir dengeleme cihazı görülmektedir. Pozitif kutbu oluşturan batarya grubu ile negatif kutbu oluşturan batarya grubunun gerilim seviyeleri bu cihaz sayesinde eşitlenmekte ve şarj dengesizliklerinin önüne geçilmeye çalışılmaktadır. 48V batarya gruplarında 4 adet akünün seri bağlantısı yapılacağından yukarıdaki dengeleme cihazından 3 adet kullanılması gerekecektir.
Aktif Şarj Dengeleme Sistemi
Bataryalar veya batarya hücreleri arası enerji aktarımı ile elde edilen herhangi bir dengeleme metodu aktif şarj dengeleme sistemi olarak adlandırılır. Aktif şarj tekniğinde dengeye getirilmek istenen enerjinin bir direnç üzerinden ısıya dönüştürülmesi yerine, bu enerjinin bataryalar arasında transfer edilerek sürekli şarj dengesinin sağlanması amaçlanır. Mikro denetleyici kontrolü ile güç elektroniği elemanları kullanılarak gerçekleştirilen bu enerji transferi, pasif şarj dengeleme sistemlerine göre daha karmaşık bir yapıya sahiptir.
Aktif şarj dengeleme sistemlerinde takas alanı olarak kullanılan geçici bir yedekleme birimi geçici olarak depolandığı birim kapasitif veya indüktif karakterde olabilmektedir.
Çalışma mimarisi yönünden kapasitif şarj dengeleme sistemleri ve indüktif şarj dengeleme sistemleri olarak iki ayrı aktif şarj dengeleme sistemi bulunmaktadır.
Aktif Şarj Dengeleme Sistemi
Batarya grubundaki şarj durumu (SoC), hem deşarj esnasında hem de şarj esnasında hücreler arasında transfer edildiğinden toplam şarj süresi pasif dengeleme sistemlerine göre nispeten daha kısadır.
İster aktif ister pasif herhangi bir şarj dengelemesinin yapılmaması durumunda depolanan enerji tam kapasiteyle kullanılamaz. Bu durum batarya grubunun daha erken şarj-deşarj döngüsüne girmesine ve olması gerekenden daha fazla çevrim yapmasına sebep olacaktır. Bu durum bataryaların çevrim ömrünü (Cycle Of Life) erken tamamlamasına sebep olacak, daha sık akü değişimi ve daha yüksek maliyetler gündeme gelecektir.
Batarya Yönetim Sistemi Modülüne Sahip Lityum Batarya Grubu
SULFATION AND DESULFURIZATION CHARGE
BÖLÜM-1’ de deşarj tepkimelerinin bir sonucu olarak ortaya çıkan Kurşun Sülfat - PbSO4 bileşiğinin bataryanın her iki plakasında oluştuğunu ve şarj esnasında kurşun sülfatın %100 oranında ayrışarak ideal bir tepkime gerçekleşmediğini görmüştük. Şarj-deşarj çevriminin doğal yan ürünü olarak akü plakaları üzerinde biriken sülfat kristalleri er ya da geç akünün çalışmaz hale gelmesine sebep olacaktır. Sülfatlaşma ne kadar yavaş gerçekleşirse akü ömrü de o kadar uzun olacaktır.
Sülfatlaşma en çok Sulu Tip Kurşun Asit aküleri ve Ni-Cd bataryaları etkilemektedir. Sülfatlaşmayı azaltmak ve kaybedilen performansın bir kısmını geri kazanmak için sülfatlaşmayı tersine çeviren “Desülfürizasyon Şarjı” işlemi yapılır.
Akıllı inverterlerde ve birçok şarj kontrol cihazında desülfürizasyon şarjı bulunmaktadır. İmalatçı firma ve uzman görüşlerine göre bakımsız tip VRLA ailesine dahil bulunan AGM ve JEL aküler için “Desülfürizasyon Şarjı” yapılması gereksiz görüldüğünden özellikle tavsiye edilmemektedir. Çünkü AGM ve JEL aküler yapısal olarak hareketli sıvı formda bir elektrolite sahip olmadıklarından, şarj işlemi sonunda elektrolit içinde tepkimeye katılmayan hidrojen gazı ve kurşun sülfat bileşiği neredeyse kalmayacağından sülfatlaşmanın da yaşanmayacağını öne sürmektedirler. Bazı uzman görüşüne göre ise desülfürizasyon şarj işlemi AGM ve JEL akülere de uygulanabilir ancak uygulama periyodu kurşun asit akülere kıyasla çok daha azdır.
Sülfatın Plakalarda Birikmesi
Desülfürizasyon şarjının amacı, akü plakaları üzerinde oluşan kurşun sülfat kristallerini çözerek yeniden elektrolite dahil ederek şarj tepkimesine sokabilmektir. Böylece bataryanın kaybettiği kapasite ve performans değerlerinde iyileşme ve geri kazanım sağlanacaktır.
Desülfürizasyon şarjı literatürde EQ şarjı, dengeleme şarjı, batarya eşitleme, equalization, desülfatör şarjı terimleriyle de karşımıza çıkmaktadır. Aynı süreci ifade eden farklı isimlendirmelerdir.
Bu işlem, kullanım ömrünü tamamen doldurmuş bir aküyü beklenilen performansı karşılar seviyede geri kazandırmaz. Desülfürizasyon şarjı sadece akü kapasitesi eskiye oranla biraz düşüş gösteren, derin deşarj veya çevrim sayısı yüksek bir dönemden geçmiş sağlam ve çalışır haldeki akülere uygulanır. Bu iyileştirici şarj işleminin hangi periyotlarla yapılması gerektiği akünün cinsine, durumuna, çalışma şartlarına, ortam sıcaklığı ve yük karakteristiği gibi birçok faktöre göre değişiklik gösterir. Akıllı inverterlerin birçoğunda desülfürizasyon şarj periyotları 0-90 gün aralığında ayarlanabilmektedir.
Eşitleme şarjı temelde, aküye şarj esnasında yüksek bir şarj voltajının uygulanmasıdır. Bazı desülfürizasyon şarj sistemleri bu yüksek voltajı darbeli olarak (150 Hz – 300 Hz) ta uygulayabilmektedir. Buradaki amaç, sülfat kristallerini ve asidik tuzları akü plakalarından daha hızlı bir şekilde uzaklaştırmaktır. Şarj kontrol cihazı üzerinden bu voltaj seviyesi ve uygulama süresi ayarlanabilmektedir.
Sıvı elektrolit bulunan kurşun-asit aküleri deşarj olmuş bir durumda uzun süre bekletmek sülfatlaşmayı artıran bir unsurdur. Bu durum gerçekleştiğinde plakalar korozyona uğramaya başlar ve aküde kalıcı kapasite kaybı meydana gelebilir.
Batarya plakalarındaki sülfat kristallerinin artması ve dolayısıyla asit tuzlarının elektrolitten ayrışarak akü tabanında birikmesi sonucu elektrolit iki farklı yoğunluğa sahip olmaktadır. Asit tuzları sudan daha yoğun olduğu için altta daha yüksek, üstte ise daha düşük bir konsantrasyon oluşur. Bu sebeple akü plakalarındaki korozyon alt bölgelerde daha hızlıdır. Bir diğer iyileştirici adım ise “Dengeleme Yükü” kullanmaktır. Dengeleme yükü genellikle düşük omajlı bir dirençtir.
Akü terminallerine bağlandığında yüksek akımla deşarj olan bataryanın elektrolit sıvısında meydana gelen kabarcıklar elektrolit çözeltisini karıştırırlar. Bu aktivite asit tuzlarının ayrışmasına imkan sağlamayacağından sülfatlaşma ve benzer tabakalaşmayı azaltıcı yönde etki gösterir. Aşırı yük uygulaması aynı zamanda pozitif plakanın sebep olduğu tuzlaşmayı da nispeten geri kazandırır.
AKÜ ŞARJ EVRELERİ
BATTERY CHARGING STAGES
Deşarj olmuş durumdaki bir akü şarj cihazına bağlandığında temel olarak 3 ayrı aşamadan geçerek şarj olurlar. Bunlar sırasıyla Yığın Şarj Evresi (Bulk), Emme Şarj Evresi (Absorption) ve Sürekli Şarj Evresi (Floating) aşamalarıdır. Her bir aşamanın kendine özgü I-V karakteristiği mevcuttur. Bu bölümde verilen yüzdelik değerler ortalama değerleri ifade etmekte olup, akü marka ve modellerine göre sapmalar görülebilir.
Şarj Evreleri
1. EVRE: BULK (YIĞIN ŞARJ)
Deşarj durumundaki bataryaların sabit akım, değişken voltaj altında şarj edildiği ilk evredir. Genellikle %80’ den daha aşağı şarj durumu olan (Soc<%80) aküler redresöre bağlandığında bulk şarj evresi başlamış olur. Akü şarj oldukça terminal gerilimleri de yükselmeye başlar.
Şarj evreleri grafiğinde görülen kırmızı çizgi batarya akımını, mavi çizgi ise terminal gerilimini (batarya voltajı) göstermektedir. Bulk şarj evresinin sonlarına doğru batarya gerilimi yükselişini yavaşlatır ve sabit bir gerilim değerinde tutmaya başlar. Bu aşamada batarya “Absorption Şarj” evresine girmek üzeredir.
2. EVRE: ABSORBTION (SOĞURMA -EMME ŞARJI)
Bulk şarj evresinde sabit ve yüksek bir akım altında terminal gerilimi yavaş yavaş yükselen akünün gerilimi sabit olarak kalmaya başladığında emme şarjı denilen “absorption” evresi başlar. Bulk şarj evresinde %80 kapasiteye kadar şarj olan akünün kalan %20’ lik kapasitesi bu evrede şarj olacaktır. Şarj işlemi sabit gerilim, değişken akım altında devam ettirilir. Şarj voltajı sabit tutulurken şarj akımı yavaş yavaş azalmaya başlar. Düşük akım değeri sayesinde akünün şarj altındaki sıcaklık artışı da kontrol altında tutulmuş olunur.
Şarj Evreleri
Yukarıdaki grafik görselinden de anlaşıldığı üzere “absorption” evresi ilk evreye göre daha uzun sürmektedir. Akü tam kapasitesine ulaşana kadar şarj akımı sürekli ve yavaşça azalır. Uzun süre deşarj durumunda kalmış bir batarya için emme şarj evresi uzun tutulabilirken, kısa süreliğine düşük akımlı yükleri besleyen aküler için bu evre uzun tutulmamalıdır.
Şarj akımı takriben 1 Amper değerinin altına inmeye başladığında emme şarj aşaması sona ermiş sayılır. Bu aşamanın sonunda akünün şarj işleminin tamamlandığı ve bataryanın %98 SoC şarj durumunda olduğu kabul edilebilir.
3. EVRE: FLOAT (SÜREKLİ ŞARJ)
Sürekli şarj (floating) bataryanın, emme evresinde uygulanan şarj gerilimine göre daha düşük bir şarj gerilimi altında tutulması evresidir. Dikkat edilirse emme (absorption) evresinde batarya sabit gerilim, değişken akım altında tutulmaktaydı. Sürekli şarj aşamasında ise batarya sabit akım, sabit gerilim altında tutulur. Buradaki amaç akünün tam şarjlı durumunu muhafaza etmektir.
Bahsi geçen tüm şarj evrelerinde şarj cihazı batarya grubunu sürekli izlemekte ve uygun olan evreyi tespit etmektedir. Sürekli şarj evresi aynı zamanda bataryanın kalan %2’lik kapasitesinin de şarj edilmesini sağlayan aşamadır. Akünün sürekli %100 şarj durumunda tutulmasını temin eder.
Örnek teşkil etmesi bakımından, 12V, 24V ve 48V terminal voltajına sahip JEL aküler ile 51,2V Lityum Demir Fosfat akü için her bir evrede uygulanması gereken gerilim seviyelerini inceleyelim.
12V – Jel AküVoltaj Ayarı
Emme Şarj (Absorption)14,5 V
Sürekli Şarj (Floating)13,5 V
Eşitleme (Equalize)15,5 V
24V – Jel AküVoltaj Ayarı
Emme Şarj (Absorption)29,0 V
Sürekli Şarj (Floating)31,0 V
Eşitleme (Equalize)27,0 V
48V – Jel AküVoltaj Ayarı
Emme Şarj (Absorption)58,1 V
Sürekli Şarj (Floating)54,0 V
Eşitleme (Equalize)61,9 V
51,2V – Lityum AküVoltaj Ayarı
Emme Şarj (Absorption)58,2 V
Sürekli Şarj (Floating)56,4 V
Eşitleme (Equalize)61,0 V
Sürekli şarj evresi için seçilen sabit şarj gerilimi çok dikkatlice tespit edilmelidir. Çünkü sürekli uygulanacak bu gerilim değeri altında akü sıcaklığının artmaması veya sıcaklığın kontrol altında tutulması gerekebilir.
4. EVRE: EQUALIZE (EŞİTLEME ŞARJI)
Eşitleme şarjı da denilmektedir. Sülfatlaşma ve desülfürizasyon aşamasında bahsi geçen olumsuz durumları ortadan kaldırmaya yönelik olarak batarya grubuna uygulanan yüksek seviyeli şarj gerilimi (aşırı şarj) işlemidir. Bu işlemin uygulama süresi, uygulama periyodu ve gerilim seviyesi akıllı inverter veya akıllı şarj cihazları üzerinden ayarlanabilmektedir.
Bkz. “Sülfatlaşma ve Desülfürizasyon Şarjı”
Eşitleme Şarj Evresi
Bu voltaj seviyeleri ortalama değerler olup, kullanılacak akü markası ve cinsine göre ilgili teknik dokümanlar incelenmeli ve gerilim seviyeleri imalatçı tarafından belirtilen değerlere göre tespit edilmelidir.
KAYNAKÇA
1. Eismin, Thomas K. (2013). Uçak Elektriği ve Elektroniği (Altıncı baskı). McGraw Hill Professional. s. 48. ISBN 978-0071799157.
2. Linden, David B.; Reddy, Thomas (2002). "24". Pil El Kitabı Üçüncü Baskı . McGraw-Hill. ISBN 0-07-135978-8.
3. "Patlayan Kurşun Asitli Piller, Maden Güvenliği Bülteni No. 150" . Avustralya: Queensland Hükümeti. 2015-10-27 . Erişim tarihi : 2020-02-17 .
4. "Uygun Kurşun-Asit Teknolojisinin Seçilmesi" (PDF) . Trojan Battery Company, Kaliforniya, ABD. 2018. 2023-09-29 tarihinde orijinalinden arşivlendi (PDF) . 2023-09-29 tarihinde erişildi .
5. "Piller ve Depolanmış Enerjinin Kısa Tarihi" (PDF) . Netaworld.org . 20 Şubat 2019 tarihinde kaynağından (PDF) arşivlendi . 19 Şubat 2019 tarihinde erişildi .
6. Desmond, Kevin (2016). "Jache, Otto".Pil Teknolojisindeki Yenilikçiler: 95 Etkili Elektrokimyacının Profilleri. McFarland.ISBN 978-1476622781.
7. "Gel-VRLA Piller için El Kitabı: Bölüm 1: Temel İlkeler, Tasarım, Özellikler" (PDF) . Sonnenschein.org . Erişim tarihi: 19 Şubat 2019 .
8. John Devitt (1997). "İlk valf düzenlemeli kurşun/asit hücresinin geliştirilmesine ilişkin bir açıklama". Güç Kaynakları Dergisi . 64 ( 1– 2): 153– 156. Bib kodu : 1997JPS....64..153D . doi : 10.1016/S0378-7753(96)02516-5 .
9. Wagner, R (2004-03-09). "13.3 Jel piller". Moseley, Patrick T; ve diğerleri (editörler). Valf Düzenlemeli Kurşun-Asit Piller . Elsevier Science. s. 446. ISBN 9780444507464.
10. Robert Nelson, "Kurşun-Asit Akülerinde Gaz Rekombinasyonunun Temel Kimyası", JOM 53 (1) (2001)
11. "Kurşun-Asit Akülerinde Gaz Rekombinasyonunun Temel Kimyası" . TMS.org .
12. Ronald Dell, David Anthony James Rand, Robert Bailey, Jr.,Pilleri Anlamak, Kraliyet Kimya Derneği, 2001,ISBN 0854046054s. 101, s.120-122
13. Vaccaro, FJ; Rhoades, J.; Le, B.; Malley, R. (Ekim 1998). "VRLA pil kapasitesi döngüsü: Fiziksel tasarım, malzemeler ve bunların etkilerini değerlendirme yöntemlerinin etkileri". INTELEC - Yirminci Uluslararası Telekomünikasyon Enerjisi Konferansı (Kat. No. 98CH36263) . s. 166–172 . doi : 10.1109/INTLEC.1998.793494 . ISBN 0-7803-5069-3. S2CID 108814630 .
14. "Teknik Kılavuz: Powersports Pilleri" (PDF) . YuasaBatteries.com . GS Yuasa . Orijinalinden (PDF) 2017-07-12 tarihinde arşivlendi . Erişim tarihi : 2019-12-25 .
15. "AGM Şarjı: Teknik Destek Masası" . Support.rollsbattery.com . Erişim tarihi: 19 Şubat 2019 .
16. "AGM Deşarj Özellikleri: Değiştirilme tarihi: Paz, 6 Eki 2014" . Support.rollsbattery.com . Erişim tarihi: 19 Şubat 2019 .
17. Watterson, Michael (2014-06-28). "Exide Gel-Cel Akümülatör JSK2 Power-S Klorür Elektrik" . RadioMuseum.org . Erişim tarihi : 2015-03-01 .
18. Walchhofer, Hans Martin; Watterson, Michael (27.11.2013). "Super Range Taşınabilir dört A (ayar kadranı olmadan)" . RadioMuseum.org . Erişim tarihi : 07.04.2021 .
19. "AGM ve Jel Akü – İhtiyacınız Olan Tek Karşılaştırma" . Powsea Akü . 2025-03-10 . Erişim tarihi 2025-04-10 .
20. Linden, Reddy (ed), Pil El Kitabı, üçüncü baskı, 2002
21. "Exide, ABD Donanması'nın Valf Düzenlemeli Denizaltı Bataryaları için Verdiği İlk Üretim Sözleşmesini Kazandı; Gelişmiş Ürünlere Geçiş, Illinois, Kankakee'deki Batarya Fabrikasının Kapatılmasına Neden Oldu" . Business Wire . 2005 . Erişim tarihi: 7 Eylül 2016 .
22. GR-3169-CORE , Valf Düzenlemeli Kurşun-Asit (VRLA) Akü Ohmik Ölçüm Tipi Ekipman (OMTE) için Genel Gereksinimler.
23. Fink, Donald G.; Beaty, H. Wayne (1978). Elektrik Mühendisleri için Standart El Kitabı (On Birinci Baskı). New York: McGraw-Hill. s. 11– 116. ISBN 0-07-020974-X.
24. Collins, Rod (7 Nisan 2015). "Derin Döngülü Akü Nedir?" .
25. Barre, Harold (1997). 12 Volt Yönetimi: 12 Volt Elektrik Sistemlerinin Yükseltilmesi, Çalıştırılması ve Sorunlarının Giderilmesi . Summer Breeze Yayıncılık. s. 44. ISBN 978-0-9647386-1-4.(Kapalı akü plakalarının su kaybını azaltmak için kalsiyumla sertleştirildiği ve bunun "akü iç direncini artırdığı ve hızlı şarjı önlediği" belirtiliyor.)
26. Sterling, Charles (2009)."SSS: Yardımcı Şarj Sistemi İçin Kullanılacak En İyi Akü Sistemi Hangisidir?"16 Mart 2012 tarihindekaynağındanarşivlendi. 2 Şubat 2012 tarihinde.
27. Calder, Nigel (1996). Tekne Sahibinin Mekanik ve Elektrik El Kitabı (2. baskı). Uluslararası Denizcilik. s. 11.ISBN 978-0-07-009618-9.
28. “Bonnen Batteries”
© [Bonnen Pil] ve [www.bonnenbatteries.com]. Bu materyalin, bu sitenin yazarı ve/veya sahibinin açık ve yazılı izni olmaksızın izinsiz kullanımı ve/veya çoğaltılması kesinlikle yasaktır. Orijinal içeriğe uygun ve özel yönlendirmeyle [Bonnen Battery] ve [www.bonnenbatteries.com]'a tam ve net bir şekilde atıfta bulunulması koşuluyla alıntılar ve bağlantılar kullanılabilir.
29. https://american-battery.com/solar-battery-equalization/
30. David Linden, Thomas B. Reddy. Handbook Of Batteries 3rd Edition. McGraw-Hill, New York, 2002 ISBN 0-07-135978-8, Chapter 24.
31. Clark, M.S. (Steve) (2008). . "Lead-Antimony, Lead-Calcium, Lead-Selenium, VRLA, NI-CD. What's In A Name?". [Çevrimiçi]
32. Greg Albright, Jake Edie, Said Al-Hallaj. www.altenergymag.com. [Çevrimiçi] http://www.altenergymag.com/emagazine/2012/04/a-comparison-of-lead-acid-to-lithium-ion-in-stationary-storage-applications/1884 15 Ekim 2014 tarihinde Wayback Machine sitesinde arşivlendi..
33. www.batterystuff.com. [Çevrimiçi] http://www.batterystuff.com/kb/articles/battery-articles/gel-vs-agm.html 12 Kasım 2014 tarihinde Wayback Machine sitesinde arşivlendi..
34. Proceedings: September 18 - 22, 2005 in Berlin; Www.intelec2005.de. [Çevrimiçi] http://books.google.com.tr/books?id=vJt-KgwFwncC&pg=RA1-PA14&dq=absorbent+glass+mat&hl=tr&sa=X&ei=aB8sU9eECsqg7Abj7oDQCg&ved=0CCsQ6AEwAA#v=onepage&q=absorbent%20glass%20mat&f=false 12 Kasım 2014 tarihinde Wayback Machine sitesinde arşivlendi.
35. http://www.throttlexbatteries.com. [Çevrimiçi] 12 Kasım 2014 tarihinde Wayback Machine sitesinde arşivlendi.
36. Kurşun Asit Piller. [yazan] John Lowry James Larminie. Elektrikli Araç Teknolojisi, sayfa 44.
37. http://www.battcon.com 22 Aralık 2014 tarihinde Wayback Machine sitesinde arşivlendi.. [Çevrimiçi] https://web.archive.org/web/20141222094736/https://papersfinal2008/ODonnellPaper2008PROOF_6.pdf22 Aralık 2014 tarihinde Wayback Machine sitesinde arşivlendi.
38. (1997), John Devitt. "An account of the development of the first valve-regulated lead/acid cell". [Çevrimiçi] http://www.sciencedirect.com/science/article/pii/S0378775396025165?via=ihub.
39.
[Çevrimiçi] http://books.google.com.tr/books?id=vJt-KgwFwncC&pg=RA1-PA14&dq=absorbent+glass+mat&hl=tr&sa=X&ei=aB8sU9eECsqg7Abj7oDQCg&ved=0CCsQ6AEwAA#v=onepage&q=absorbent%20glass%20mat&f=false 12 Kasım 2014 tarihinde Wayback Machine sitesinde arşivlendi.
40. [Çevrimiçi] http://books.google.com.tr/books?id=0uAkvnwTO1IC&pg=PA530&dq=absorbent+glass+mat&hl=tr&sa=X&ei=MvQzU5jhPIGKhQeJwICQBA&ved=0CFAQ6AEwAw#v=onepage&q=absorbent%20glass%20mat&f=false 12 Kasım 2014 tarihinde Wayback Machine sitesinde arşivlendi.
41. GR-3169-CORE, Generic Requirements for Valve-Regulated Lead-Acid (VRLA) Battery Ohmic Measurement Type Equipment (OMTE).
13. [yazan] Donald G. Fink and H. Wayne Beaty. Standard Handbook for Electrical Engineers, Eleventh Edition, McGraw-Hill, New York, 1978, ISBN 0-07-020974-X pages 11–116.
42. [yazan] Harold (1997). Barre. Managing 12 Volts: How to Upgrade, Operate and Troubleshoot 12 Volt Electrical Systems. Summer Breeze Publishing. p. 44. ISBN 0-9647386-1-9.(stating sealed battery plates are hardened with calcium to reduce water loss which "raises t.
43. "FAQ: What Is The Best Battery System to Use for an Auxiliary Charging System". [Çevrimiçi] https://web.archive.org/web/20120316225934/http://www.sterling-power.com/support-faq-2.htm.
44. First Start. "Frequently Asked Questions". Retrieved 21 August 2013.(Discussing AGM Facts and Questions.). [Çevrimiçi] https://web.archive.org/web/20130904090141/http://www.firststartbatteries.com.au/faq.html.
45. Sterling, Charles (2009). "FAQ: What Is The Best Battery System to Use for an Auxiliary Charging System". Retrieved 2 February 2012.(discussing excessive cost and poor performance of newer sealed gel or AGM batteries versus regular lead-acid flooded batt. [Çevrimiçi] https://web.archive.org/web/20120316225934/http://www.sterling-power.com/support-faq-2.htm.
46. HandyBob (2004 revised 2010). "The RV Battery Charging Puzzle". Retrieved 1 February 2012. (noting that with sealed batteries, you "can’t check the electrolyte to monitor their condition" and they give you "less power in the same amount of space and weigh.
Erdem MERİÇ
Elektrik Elektronik Mühendisi
YANKI ENERJİ – KOCAELİ
2026
“Bilimsel etik ilkeleri çerçevesinde, yazar adı ve yayın kaynağının açık biçimde belirtilmesi koşuluyla bu makaleden alıntı yapılabilir; makale kısmen veya tamamen paylaşılabilir ve akademik amaçlarla çoğaltılabilir.”




















